在当今工业生产领域,cnc加工中心扮演着举足轻重的角色,作为一种先进的数控机床,cnc加工中心具备高精度、高效率和高可靠性的特点,为各类制造业提供了强大的生产支持。由于制造业对智能化和自动化的要求越来越高,其性能改进和创新也在不断进行。下面风暴娱乐就给大家分享cnc加工中心基本结构组成:
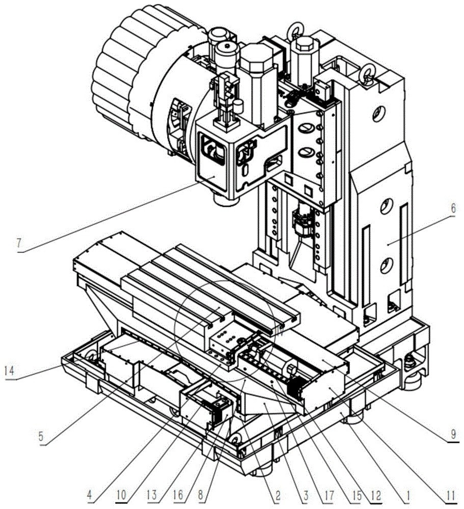
1.基本部件,它们由床体、立柱和工作台组成。它们主要承受cnc加工中心的静载荷和加工过程中产生的切削载荷,因此必须具有足够的刚度。这些大型零件可以是铸铁零件或焊接钢结构零件。
2.主轴部件,它由主轴箱、主轴电机、主轴和主轴轴承组成。主轴的启动、停止和变速由数控系统控制,并且通过装在主轴上的刀具参与切削运动,是切削加工的功率输出部件,决定了加工精度及稳定性。

3.数控系统,数控部分是由cnc装置,可编程控制器plc、伺服驱动装置以及操作面板等组成。它们是cnc加工中心执行顺序控制动作和完成操作加工过程中的控制中心。
4.自动换刀系统,它由刀库、机械手、驱动机构和其他部件组成。在加工过程中,当需要更换刀具时,数控系统会发出指令,机械手会将刀具从刀库中取出并安装在主轴孔中。它解决了工件在一次夹紧后连续加工多个过程中自动存储、搬运和交换工序之间的刀具的任务。
5.辅助装置,包括润滑、冷却、排屑、保护、液压、气动和检测系统等部分。虽然这些设备不直接参与切削,但它们在保证加工效率、精度和可靠性方面起着重要作用,也是不对缺少的部分。
cnc加工中心作为现代制造业的核心设备之一,具有高精度、高效率和高可靠性的特点,面对未来制造业的快速发展和变化,cnc加工中心将继续发挥关键作用,展示更大潜力。